200W銅管散熱大功率LED工廠燈(LED工礦燈)主要用于大型工廠車間、體育場館、戶外樓體亮化、施工工地、機場碼頭等大面積照明場所;具有照射面積大、距離遠等特點;由于LED燈具功率越大燈體內燈珠越多越密集,就會產生更大的熱量;如果不能有效的快速將燈珠上面的溫度傳遞導出就很容易造成燈珠死燈、光衰嚴重、甚至電源被高溫燒壞等危險;所以東莞七度照明所生產超過200W及以上的LED工礦燈都采用純銅管導熱,下面詳細介紹200W銅管散熱大功率LED工廠燈(LED工礦燈)材質和規格參數;
200W銅管散熱大功率LED工廠燈(LED工礦燈)主要材質:
* 燈體散熱器采用鰭片鉚接方式,鰭片均采用1060鋁材,經過扣片技術工藝處理。
* 采用純銅熱管經鰭片壓管工藝,熱管緊密貼合鰭片技術,純銅導熱管鉚接鰭片散熱技術有效解決高功率散熱難題,讓芯片、驅動壽命更長。
* 散熱套件整體均經電泳處理,耐腐蝕性更強,通過200小時鹽霧測試。
* LED工廠燈防護等級達到IP65,防塵防水,滿足各種戶外惡劣環境要求。
* 燈罩呼吸器的設計,避免了燈罩內出現凝霧。
* 整個燈體的可調角度達到210°。
200W銅管散熱大功率LED工廠燈(LED工礦燈)規格參數和報價:
|
產品規格書 |
| 燈具圖片 |
規格參數 |
 |
200W純銅管導熱大功率LED工廠燈 |
型號:QDLED-GC011-200W |
| 電源參數 |
額定功率 |
200W |
| 電源電壓 |
100VAC-240VAC |
| 頻率/Hz |
50Hz/50Hz |
| 功率因數 |
≥0.98 |
| LED光源 |
光通量/Lm±10% |
23000LM |
| 光效/lm/w |
140-150lm/w |
| 色溫/K |
3000K/5000K/6000K |
| 顯指Ra |
Ra≥80 |
| LED數量 |
210顆7串30并 飛利浦3030燈珠 |
| 電源品牌 |
臺灣明緯 |
| 發光角度/±3° |
25°、60°、90º |
| 中心光強/cd |
|
| 主體材質 |
鰭片鋁+4根純銅導熱銅管+PC透鏡 |
| 防護等級IP |
IP65 |
| 壽命/h |
100000 |
| 包裝方式 |
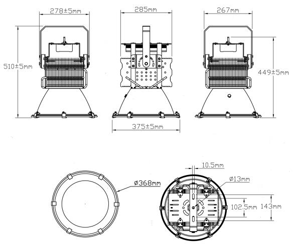
整燈尺寸 |
φ375*H510mm |
| 凈重 |
5.7KG |
| 毛重 |
8.6KG |
200W銅管散熱大功率LED工廠燈(LED工礦燈)規格尺寸圖紙:
將《200W銅管散熱大功率LED工廠燈\LED工礦燈價格及規格參數》分享到: